Porsche 930 Turbo Durites d’huile
- Des livraisons rapides
- D’achats sécurisés
- 14 jours d’achat ouvert
Description
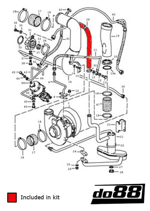
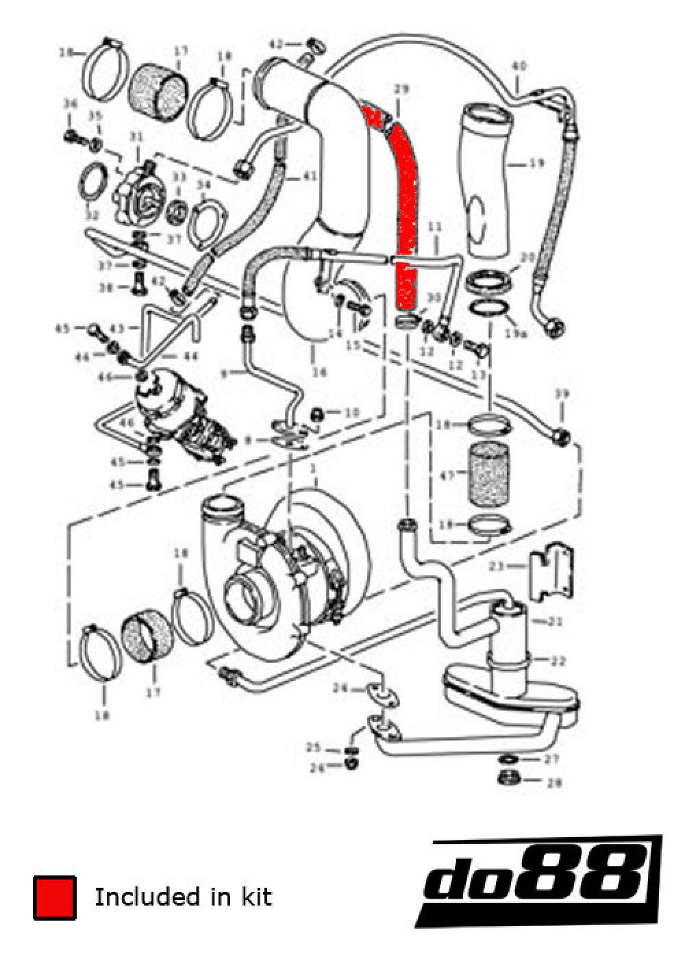
Un kit durites développé de do88 qui remplace les durites d’origine à la ventilation du carter moteur et au séparateur d'huile!
Ces durites sont fabriqués exclusivement en silicone de haute qualité pour une meilleure durabilité et finition. Avec trois à cinq couches de renforcement, en fonction du diamètre intérieur du durite, les durites résistent à des fortes pressions et températures sur une longue période de temps. L'original est fait de caoutchouc qui n'est pas rarement fissuré par la déshydratation. C'est la solution pour vous, qui en plus améliore considérablement l'apparence de manière significative!
Dans les cas où des choix de couleurs doivent être effectués, voir la liste déroulante ci-dessus pour la disponibilité. Il n'y a pas de différence de performance entre les différentes couleurs.
Des paquets avec des colliers de serrage appropriésse trouvent sous l'onglet "Accessoires": Paquet de colliers de serrage do88-kitxxx. Vérifiez que le nombre du kit correspond au numéro du paquet de colliers de serrage.
Tous les numéros d'article originaux sont répertoriés uniquement comme numéros de référence.
Convient à
Modèles d’années: 1978-1989
Moteur: 3.3 Turbo
* Les colliers de serrage pressés sur ces deux durites origiaux doivent être coupés et le raccord de durite et le tube doivent être réutilisés et montés sur le durite en silicone avec le collier de serrage habituel. Nous vous recommandons d’acheter notre kit avec colliers de serrage, qui comprend tout ce dont vous avez besoin.
OE-Réf / Remplace
Réference: 93010739504, 93010799500
Durite de séparateur d’huile
Réference: 93010739100
Durite de séparateur d’huile
Réference: 93010738904
Durite de réservoir d’huile *
Réference: 93010738906
Durite de réservoir d’huile
Réference: 93010723302
Durite de réservoir d’huile
Réference: 93010739402, 99923600750, 00004320495
Durite de ventilation de carter moteur *
Réference: 93010739701



English USA
English Europe

Swedish
Finnish
Norwegian
German

Durite silicone Bleu
Durite silicone Noir
Durite silicone Rouge
Durite carburant
Gaine d'air
Des raccords durites
Colliers de serrage Et accessoires
Manchons de connexion pour durites
Mamelon à souder Alu
Raccord de durite
Bouchon
Chapeaux de silicone
Clapet anti-retour unidirectionnel
Epaisseur de paroi 2mm, polis
Epaisseur de paroi 3mm
Réduction
Plaque aluminium
Alpine
Audi
BMW
CUPRA
Ford
Mazda
Opel
Porsche
Saab
Seat
Skoda
Suzuki
TOYOTA
Volvo
VW
Pièces d'échappement
Protection thermique
Filtre à air
Intercooler universel
Garrett Intercooler Noyau
Dump valve á décharge / Commande de pression de charge
Radiateur d’huile
Dump valve á décharge / Wastegate, Autres
Filtre à air, Autres
Radiateur d’huile, Autres
Colliers de serrage, Destockage
(0 pcs)


















